- 商品描述
- 商品询价热度
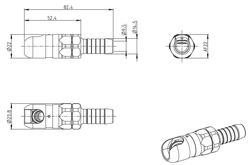
Atlas阿特拉斯ErgoQIC安全联轴器

阿特拉斯ErgoQIC安全联轴器优势特点
全流连接
坚固耐用
节能
使用寿命长
无气流限制
操作方便快捷,工具更换方便。
人体工学设计,体积小,重量轻
由于高空气流量和压力而提高作业效率
Atlas ErgoQIC安全联轴器各型号技术参数
型号 | ID | 连接 | 螺纹尺寸 | 工作压力 | 流量 (0.5 bar ΔP) | 流量 (7 psi ΔP) | 软管尺寸 |
|---|---|---|---|---|---|---|---|
| ERGOQIC-08-M08U | 8202111509 | Male | 1/4 NPT | 230 psi | 30 l/s | 64 cfm | |
| ERGOQIC-08E-H13 | 8202110603 | Hose | 230 psi | 38 l/s | 80 cfm | 1/2 inch | |
| ERGOQIC-15E-M10 | 8202110660 | Male | 3/8 BSP | 230 psi | 76 l/s | 161 cfm | |
| ERGOQIC-08E-H10 | 8202110602 | Hose | 230 psi | 38 l/s | 80 cfm | 3/8 inch | |
| ERGOQIC-10-F08 | 8202112100 | Female | 1/4 BSP | 230 psi | 60 l/s | 128 cfm | |
| ERGOQIC-10-M10U | 8202112515 | Male | 3/8 NPT | 230 psi | 65 l/s | 138 cfm | |
| ERGOQIC-08US-M10 | 8202110307 | Male | 3/8 BSP | 230 psi | 17 l/s | 35 cfm | |
| ERGOQIC-10US-M15 | 8202110711 | Male | 1/2 BSP | 230 psi | 43 l/s | 90 cfm | |
| ERGOQIC-15E-H13 | 8202110651 | Hose | 230 psi | 76 l/s | 161 cfm | 1/2 inch | |
| ERGOQIC-08US-H06 | 8202110300 | Hose | 230 psi | 17 l/s | 35 cfm | 1/4 inch | |
| ERGOQIC-08-F08 | 8202111090 | Female | 1/4 BSP | 230 psi | 29 l/s | 61 cfm | |
| ERGOQIC-15US-M10U | 8202110808 | Male | 3/8 NPT | 230 psi | 72 l/s | 153 cfm | |
| ERGOQIC-08US-F10U | 8202110312 | Female | 3/8 NPT | 230 psi | 14 l/s | 30 cfm | |
| ERGOQIC-10-F10U | 8202112535 | Female | 3/8 NPT | 230 psi | 65 l/s | 138 cfm | |
| ERGOQIC-10US-H20 | 8202110705 | Hose | 230 psi | 43 l/s | 90 cfm | 3/4 inch | |
| ERGOQIC-15US-M10 | 8202110809 | Male | 3/8 BSP | 230 psi | 77 l/s | 162 cfm | |
| ERGOQIC-08-F10U | 8202111535 | Female | 3/8 NPT | 230 psi | 30 l/s | 64 cfm | |
| ERGOQIC-10US-F15U | 8202110716 | Female | 1/2 NPT | 230 psi | 33 l/s | 70 cfm | |
| ERGOQIC-10US-F08 | 8202110713 | Female | 1/4 BSP | 230 psi | 43 l/s | 90 cfm | |
| ERGOQIC-08-M15U | 8202111525 | Male | 1/2 NPT | 230 psi | 30 l/s | 64 cfm | |
| ERGOQIC-08E-M08 | 8202110604 | Male | 1/4 BSP | 230 psi | 38 l/s | 80 cfm | |
| ERGOQIC-10-ASIA-FT08 | 8202110409 | Female | 1/4 BSPT | 230 psi | 35 l/s | 73 cfm | |
| ERGOQIC-15US-M15U | 8202110810 | Male | 1/2 NPT | 230 psi | 72 l/s | 153 cfm | |
| ERGOQIC-15US-M15 | 8202110811 | Male | 1/2 BSP | 230 psi | 77 l/s | 162 cfm | |
| ERGOQIC-08-H08 | 8202111012 | Hose | 230 psi | 29 l/s | 61 cfm | 5/16 inch | |
| ERGOQIC-15US-H13 | 8202110803 | Hose | 230 psi | 77 l/s | 162 cfm | 1/2 inch | |
| ERGOQIC-10US-F10U | 8202110714 | Female | 3/8 NPT | 230 psi | 33 l/s | 70 cfm | |
| ERGOQIC-08-M10U | 8202111517 | Male | 3/8 NPT | 230 psi | 30 l/s | 64 cfm | |
| ERGOQIC-10-ASIA-FT10 | 8202110410 | Female | 3/8 BSPT | 230 psi | 35 l/s | 73 cfm | |
| ERGOQIC-10US-F15 | 8202110717 | Female | 1/2 BSP | 230 psi | 43 l/s | 90 cfm | |
| ERGOQIC-10US-H13 | 8202110703 | Hose | 230 psi | 43 l/s | 90 cfm | 1/2 inch | |
| ERGOQIC-15US-H20 | 8202110805 | Hose | 230 psi | 77 l/s | 162 cfm | 3/4 inch | |
| ERGOQIC-15E-H20 | 8202110653 | Hose | 230 psi | 76 l/s | 161 cfm | 3/4 inch | |
| ERGOQIC-08US-F10 | 8202110313 | Female | 3/8 BSP | 230 psi | 17 l/s | 35 cfm | |
| ERGOQIC-10US-M10U | 8202110708 | Male | 3/8 NPT | 230 psi | 33 l/s | 70 cfm | |
| ERGOQIC-10-F15 | 8202112110 | Female | 1/2 BSP | 230 psi | 60 l/s | 128 cfm | |
| ERGOQIC-08US-H10 | 8202110302 | Hose | 230 psi | 17 l/s | 35 cfm | 3/8 inch | |
| ERGOQIC-10-ASIA-MT10 | 8202110406 | Male | 3/8 BSPT | 230 psi | 35 l/s | 73 cfm | |
| ERGOQIC-10-H08 | 8202112040 | Hose | 230 psi | 60 l/s | 128 cfm | 5/16 inch | |
| ERGOQIC-10-M25 | 8202112099 | Male | 1 BSP | 230 psi | 60 l/s | 128 cfm | |
| ERGOQIC-10-M08 | 8202112085 | Male | 1/4 BSP | 230 psi | 60 l/s | 128 cfm | |
| ERGOQIC-08US-M08U | 8202110304 | Male | 1/4 NPT | 230 psi | 14 l/s | 30 cfm | |
| ERGOQIC-10US-F10 | 8202110715 | Female | 3/8 BSP | 230 psi | 43 l/s | 90 cfm | |
| ERGOQIC-15E-M15 | 8202110661 | Male | 1/2 BSP | 230 psi | 76 l/s | 161 cfm | |
| ERGOQIC-10-M15 | 8202112097 | Male | 1/2 BSP | 230 psi | 60 l/s | 128 cfm | |
| ERGOQIC-15US-F10 | 8202110815 | Female | 3/8 BSP | 230 psi | 77 l/s | 162 cfm | |
| ERGOQIC-10US-M15U | 8202110710 | Male | 1/2 NPT | 230 psi | 33 l/s | 70 cfm | |
| ERGOQIC-08E-M10 | 8202110605 | Male | 3/8 BSP | 230 psi | 38 l/s | 80 cfm | |
| ERGOQIC-08-H06 | 8202111004 | Hose | 230 psi | 29 l/s | 61 cfm | 1/4 inch | |
| ERGOQIC-10-F10 | 8202112105 | Female | 3/8 BSP | 230 psi | 60 l/s | 128 cfm | |
| ERGOQIC-10-H06 | 8202112030 | Hose | 230 psi | 60 l/s | 128 cfm | 1/4 inch | |
| ERGOQIC-10-ASIA-MT08 | 8202110405 | Male | 1/4 BSPT | 230 psi | 35 l/s | 73 cfm | |
| ERGOQIC-15US-F10U | 8202110814 | Female | 3/8 NPT | 230 psi | 72 l/s | 153 cfm | |
| ERGOQIC-08US-M08 | 8202110305 | Male | 1/4 BSP | 230 psi | 17 l/s | 35 cfm | |
| ERGOQIC-08-H13 | 8202111040 | Hose | 230 psi | 29 l/s | 61 cfm | 1/2 inch | |
| ERGOQIC-15E-F15 | 8202110671 | Female | 1/2 BSP | 230 psi | 76 l/s | 161 cfm | |
| ERGOQIC-08US-F08 | 8202110311 | Female | 1/4 BSP | 230 psi | 17 l/s | 35 cfm | |
| ERGOQIC 08E H10 | 8202110612 | Hose | 230 psi | 38 l/s | 80 cfm | 3/8 inch | |
| ERGOQIC-10-M20 | 8202112098 | Male | 3/4 BSP | 230 psi | 60 l/s | 128 cfm | |
| ERGOQIC-08US-H08 | 8202110301 | Hose | 230 psi | 17 l/s | 35 cfm | 5/16 inch | |
| ERGOQIC-10-ASIA-H13 | 8202110403 | Hose | 230 psi | 35 l/s | 73 cfm | 1/2 inch | |
| ERGOQIC-10-M15U | 8202112523 | Male | 1/2 NPT | 230 psi | 65 l/s | 138 cfm | |
| ERGOQIC-10-ASIA-H10 | 8202110402 | Hose | 230 psi | 35 l/s | 73 cfm | 3/8 inch | |
| ERGOQIC-08E-F10 | 8202110608 | Female | 3/8 BSP | 230 psi | 38 l/s | 80 cfm | |
| ERGOQIC-08US-M10U | 8202110306 | Male | 3/8 NPT | 230 psi | 14 l/s | 30 cfm | |
| ERGOQIC-10-M10 | 8202112093 | Male | 3/8 BSP | 230 psi | 60 l/s | 128 cfm | |
| ERGOQIC-15E-H16 | 8202110652 | Hose | 230 psi | 76 l/s | 161 cfm | 5/8 inch | |
| ERGOQIC-15E-M20 | 8202110662 | Male | 3/4 BSP | 230 psi | 76 l/s | 161 cfm | |
| ERGOQIC-10-ASIA-FT15 | 8202110411 | Female | 1/2 BSPT | 230 psi | 35 l/s | 73 cfm | |
| ERGOQIC-10US-H10 | 8202110702 | Hose | 230 psi | 43 l/s | 90 cfm | 3/8 inch | |
| ERGOQIC-15US-H16 | 8202110804 | Hose | 230 psi | 77 l/s | 162 cfm | 5/8 inch | |
| ERGOQIC-08-M10 | 8202111079 | Male | 3/8 BSP | 230 psi | 29 l/s | 61 cfm | |
| ERGOQIC-08E-H08 | 8202110601 | Hose | 230 psi | 38 l/s | 80 cfm | 5/16 inch | |
| ERGOQIC-08-H10 | 8202111038 | Hose | 230 psi | 29 l/s | 61 cfm | 3/8 inch | |
| ERGOQIC-15E-F10 | 8202110670 | Female | 3/8 BSP | 230 psi | 76 l/s | 161 cfm | |
| ERGOQIC-08E-M15 | 8202110606 | Male | 1/2 BSP | 230 psi | 38 l/s | 80 cfm | |
| ERGOQIC-10US-M08U | 8202110706 | Male | 1/4 NPT | 230 psi | 33 l/s | 70 cfm | |
| ERGOQIC-15US-H10 | 8202110802 | Hose | 230 psi | 77 l/s | 162 cfm | 3/8 inch | |
| ERGOQIC-08US-F08U | 8202110310 | Female | 1/4 NPT | 230 psi | 14 l/s | 30 cfm | |
| ERGOQIC-08US-M15 | 8202110309 | Male | 1/2 BSP | 230 psi | 17 l/s | 35 cfm | |
| ERGOQIC-08E-F15 | 8202110609 | Female | 1/2 BSP | 230 psi | 38 l/s | 80 cfm | |
| ERGOQIC-10-H16 | 8202112050 | Hose | 230 psi | 60 l/s | 128 cfm | 5/8 inch | |
| ERGOQIC-08-F10 | 8202111095 | Female | 3/8 BSP | 230 psi | 29 l/s | 61 cfm | |
| ERGOQIC-10-M08U | 8202112507 | Male | 1/4 NPT | 230 psi | 65 l/s | 138 cfm | |
| ERGOQIC-10-H20 | 8202112060 | Hose | 230 psi | 60 l/s | 128 cfm | 3/4 inch | |
| ERGOQIC-10-ASIA-MT15 | 8202110407 | Male | 1/2 BSPT | 230 psi | 35 l/s | 73 cfm | |
| ERGOQIC-08E-F08 | 8202110607 | Female | 1/4 BSP | 230 psi | 38 l/s | 80 cfm | |
| ERGOQIC-10-H10 | 8202112002 | Hose | 230 psi | 60 l/s | 128 cfm | 3/8 inch | |
| ERGOQIC-10US-F08U | 8202110712 | Female | 1/4 NPT | 230 psi | 33 l/s | 70 cfm | |
| ERGOQIC-10US-M10 | 8202110709 | Male | 3/8 BSP | 230 psi | 43 l/s | 90 cfm | |
| ERGOQIC-08US-M15U | 8202110308 | Male | 1/2 NPT | 230 psi | 14 l/s | 30 cfm | |
| ERGOQIC-10-F08U | 8202112530 | Female | 1/4 NPT | 230 psi | 65 l/s | 138 cfm | |
| ERGOQIC-08-M08 | 8202111061 | Male | 1/4 BSP | 230 psi | 29 l/s | 61 cfm | |
| ERGOQIC-10-ASIA-H06 | 8202110400 | Hose | 230 psi | 35 l/s | 73 cfm | 1/4 inch | |
| ERGOQIC-08E-H06 | 8202110600 | Hose | 230 psi | 38 l/s | 80 cfm | 1/4 inch | |
| ERGOQIC-08-M15 | 8202111087 | Male | 1/2 BSP | 230 psi | 29 l/s | 61 cfm | |
| ERGOQIC-10US-H16 | 8202110704 | Hose | 230 psi | 43 l/s | 90 cfm | 5/8 inch | |
| ERGOQIC-08-F08U | 8202111530 | Female | 1/4 NPT | 230 psi | 30 l/s | 64 cfm | |
| ERGOQIC-15US-F15 | 8202110817 | Female | 1/2 BSP | 230 psi | 77 l/s | 162 cfm | |
| ERGOQIC-15US-F15U | 8202110816 | Female | 1/2 NPT | 230 psi | 72 l/s | 153 cfm | |
| ERGOQIC-10-H13 | 8202112010 | Hose | 230 psi | 60 l/s | 128 cfm | 1/2 inch | |
| ERGOQIC-10-ASIA-H08 | 8202110401 | Hose | 230 psi | 35 l/s | 73 cfm | 5/16 inch | |
| ERGOQIC-10US-M08 | 8202110707 | Male | 1/4 BSP | 230 psi | 43 l/s | 90 cfm |

阿特拉斯ERGOQIC-08E-H13安全联轴器结构图


线上咨询



